公眾號
微博
粵商通
機器人
美麗廣州
美麗廣州2026-01-28 14:22 廣州市生態環境局
隨著農歷新年臨近,廣州市荔灣區石圍塘街道作為華南地區重要的花卉集散地,迎來年宵花市銷售高峰。據初步估算,轄區內市場及商鋪日均售出染色銀柳可達數千束,其表面附著的化學染料將對轄區土壤環境構成潛在威脅。
一、染色銀柳背后存在土壤污染隱患。染色銀柳的視覺效果多采用食品級或植物性染料,不會釋放有害物質,但少數商家為控制成本、追求鮮亮色澤,部分產品使用不符合環保標準的染料,其可能含有鉛(Pb)、鉻(Cr)、鎘(Cd)等重金屬以及芳香胺類等難降解有機化合物,此類產品在存儲、轉運、銷售和最終廢棄環節中,通過染料滴漏、浸滲、固體廢物或污水排放等途徑進入土壤環境,可能發生局部污染。且重金屬在土壤中難以降解,若不加強監管,在短期內可能使表層土壤受到污染,并最終威脅人體健康。

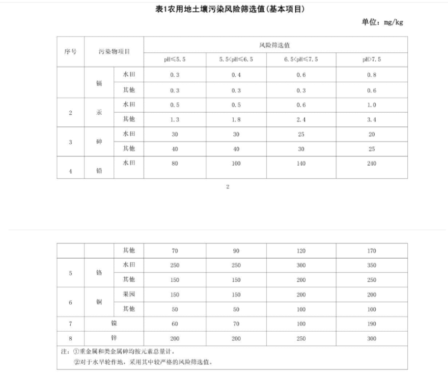
圖:《GB 15618-2018土壤環境質量農用地土壤污染風險管控標準(試行)》
二、加強普法宣傳筑牢安全意識。石圍塘街道開展多層次、浸潤式宣傳教育活動,從源頭經營者和消費者的意識層面入手,構建土壤污染防治第一道防線。一是召開普法警示大會。組織轄區主要批發市場管理方、大型零售商、物流倉儲負責人及重點商戶代表,召開專項會議,解讀《中華人民共和國土壤污染防治法》等法規,明確不得銷售不合規產品。二是發起“守護凈土,從我做起”主題宣傳活動。在人流密集的市場、社區,通過懸掛橫幅、設立環保咨詢臺、循環廣播、播放科普短視頻等方式,向市民和商戶直觀展示顏料滲漏對土壤的破壞過程及長遠危害,向消費者倡導購買原色或合格銀柳。三是實施“一對一”商戶走訪。組織社區網格員與經濟聯社工作人員對銷售染色銀柳的20余家大小商戶走訪,發放《規范經營告知書》,推動多家龍頭商戶率先做出“環保承諾示范店”,形成帶動效應,提升商戶對染色銀柳環境危害的認知率。

圖:召開工作動員會
三、開展精準執法推動全鏈條閉環管控。一是加強對倉儲、批發環節的檢查。要求大型倉庫必須實現干濕(染色品與未染色品)分區、堆放時全面使用防滲隔離層。對轄區內零售點,尤其是臨時設置的年貨攤位,進行登記造冊,要求100%落實“鋪墊、離地、圍擋”三要素。二是建立聯動快速處置機制。環衛工人在清掃中一旦發現異常顏料污染痕跡,立即拍照上傳定位,街道環保工作人員初步判斷后,執法隊員快速到場溯源查處,防止污染擴大。三是開展高頻次、滾動式檢查。累計出動執法人員超過40人次,巡查重點銷售點位超過20個,覆蓋預估絕大部分染色銀柳流通渠道,通過為期數周的密集專項行動,轄區染色銀柳銷售秩序得到根本性規范,消除土壤污染風險。
下一步,石圍塘街道將系統總結此次經驗,將形成的機制融入日常環境監管體系,并持續關注各類新型環境風險點,以鍥而不舍的韌勁和“時時放心不下”的責任感,堅決守護好區域的綠水青山與土壤安全,為城市高質量發展奠定堅實的生態基石。

圖:現場檢查
(廣州市生態環境局荔灣分局)